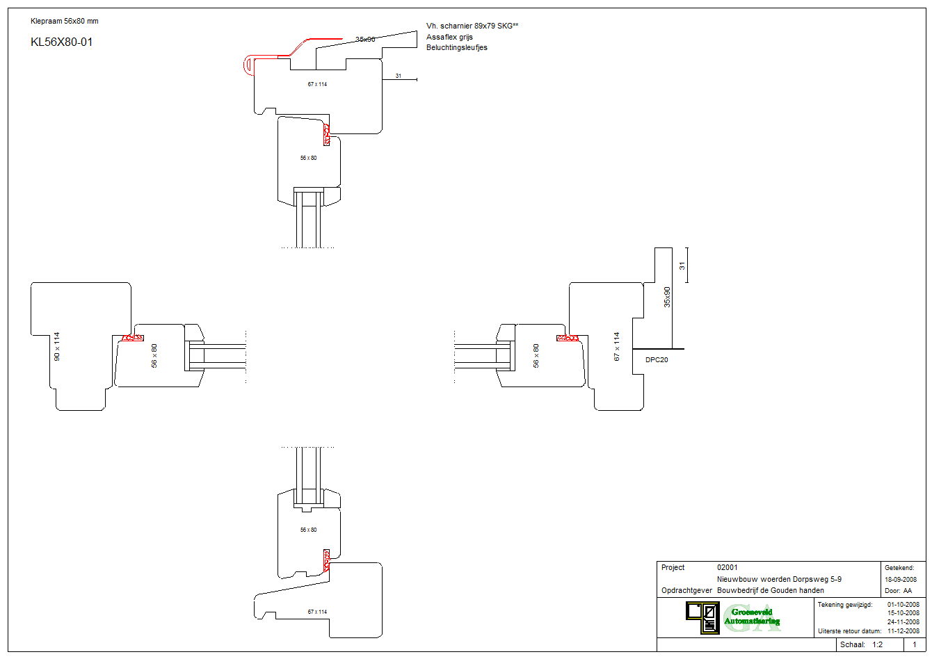
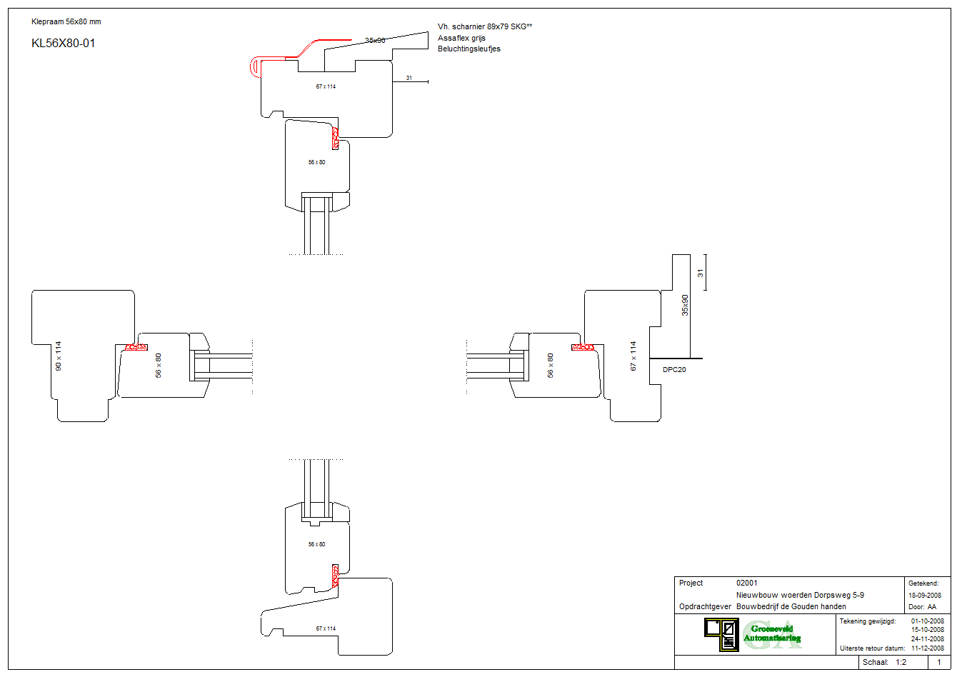
Profiel.
Met deze module kunt u naast de profielen ook de pennen, slis en contra tekenen. Bij machine aansturing geeft u bij de profielen en pennen de bijbehorende machinecode op. Nu kan m.b.v. dit programma de machine worden gevoed, per machinecode worden namelijk de tekeningen en coördinaten naar de machine gestuurd.

Kozijnprofiel met rand aansluitingen (zoals spouwlat, kantstuk, koppenstijl en lood) rollen automatisch uit de kozijn tekening.
Met de optie vakvulling tekeneningen worden vakvullingen en rekjes weergegeven